
ventilatorVentilator is a medical device that can effectively replace, control or change a person’s normal physiological breathing, increase pulmonary ventilation, improve respiratory function, reduce respiratory consumption and save cardiac reserve. It can provide breathing and perform mechanical ventilation for patients who are physiologically unable to breathe or have insufficient breathing. The ventilator realizes forced artificial breathing by establishing a pressure difference.
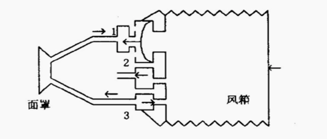
The basic principle of the ventilator is to use mechanical means to establish this pressure difference to achieve the process of forced artificial breathing. The schematic diagram is as follows:

In the figure, “1” is the exhalation check valve (rubber valve flap), “2” is the air inlet check valve, and “3” is the inhalation check valve.
The inhalation process of the ventilator controlling the patient is: compression of the bellows → increase in air pressure inside the bellows → closing of the one-way valve “1” (the rubber valve flap bulges outward) → closing of the one-way valve “2” → opening of the one-way valve “3” → opening of the inhalation channel → air enters the patient’s respiratory tract through the mask and reaches the lungs; the exhalation process is: extension of the bellows → decrease in air pressure inside the bellows → reset of the rubber valve flap → opening of the one-way valve “1” (the exhalation channel is opened) → closing of the one-way valve “3” (the inhalation channel is blocked) → the gas in the lungs is discharged outward through the respiratory tract, mask and valve “1”; at the same time, the one-way valve “2” is opened and air enters the bellows to prepare for the next inhalation process. The ventilator works in such a reciprocating cycle to establish an artificially simulated lung breathing function.
The new generation of non-invasive ventilators has been greatly improved in aspects such as oxygen inhalation concentration adjustment, airway humidification, synchronization performance, as well as the tightness, comfort, and reduction of rebreathing of the nose and mask. Therefore, its indications are gradually expanding.
Chronic obstructive pulmonary disease (COPD) is a common respiratory disease characterized by airflow limitation. It has characteristics such as high prevalence, high disability and mortality rates, long disease course and treatment cycle, and high hospitalization rate during acute exacerbation periods. According to the World Health Organization’s estimate, chronic obstructive pulmonary disease will become the third leading cause of death worldwide in 2030, and the prevalence rate will gradually increase. Some of the reasons are aging, air pollution, occupational exposure, e-cigarettes, etc. Home bilevel ventilators are the preferred treatment option for non-drug treatment of patients with COPD. Non-invasive ventilation can improve symptoms, reduce hospitalization rates and mortality.
Obstructive sleep apnea hypopnea syndrome (OSA) is a respiratory disease that repeatedly shows phenomena such as apnea and/or hypopnea, hypercapnia, and sleep interruption in a sleep state. It can cause complications such as coronary atherosclerotic heart disease, heart failure, arrhythmia, and diabetes. Non-invasive ventilator treatment is the first choice and primary treatment method for adult OSA patients.


